Gerade mal gut 2.000km ist mein 485 gelaufen und schon ist der Kühler defekt. Ich könnte ![]()
Bei mir ist es schon der dritte, von Carsten bei ca. 28k eingebaut, bis jetzt ist Ruhe bei nun 34k ![]()
Eigentlich schier unglaublich ![]()
![]()
![]()
Mach Dir nix draus ![]()
Bei meinem neuen Kühler ist nach ein paar Wochen der Wasserkasten im Radius undicht geworden, ein kleiner Riss nur unter Druck.
Konnten wir aber schweißen.
LIQUI MOLY Pro-Line Kühlerdichter K | 250 ml | Kühleradditiv | Art.-Nr.: 5178, Rosso
Hält bei mir dicht, obwohl der getropft hat. (und nur das, das ist extra für unsere filigranen Alu-Kühler). Hab immer noch den ersten Kühler drin.
Hallo Buschi,
hier mal eine kleine Geschichte von meinem 485S.
An einem kühlen Wintersonntag, es waren so minus 2 bis minus 3 Grad, dachte ich: schließe mal die Performancebox an und mach eine Elastizitätsmessung im 2.Gang. Vielleicht kann ich dank mehr O2 in der Luft die 1,90 s von 60 auf 100 km/h knacken. Also den Motor schön heiß fahren. Eine Öltemperaturanzeige fehlt leider (oder evtl. absichtlich ?). Die hat mein 89iger Sc 16V übrigens schon serienmäßig. Also Kühltemperatur auf 90 ° bringen und dann noch so lange fahren, bis der Öldrück im LL nochmal deutlich absinkt (von 3,5 auf knapp über 2 bar oder so). Und ab geht’s.
Hier das Ergebnis:
1,89 s : Ziel erreicht. Und das mit vollem Tank.
Suppi.
Doch die Freude hielt nicht lange an. Denn da war Tage später ein kleiner rötlicher Fleck in der Garage. Unter der Nase sah es dann so aus.
Der Ausgleichbehälter war aber noch knapp unter MAX. Bei Dir scheint es schon was Größeres zu sein.
Ergebnis: Neuer Kühler. Zum Glück noch auf Garantie.
Die Ursache für den Kühlerdefekt habe ich dann durch Zufall Monate später beim Anschauen eines von mir gedrehten Videos gefunden.
Na dann will ich mich mal nicht weiter grämen
.
Scheint ja fast üblich zu sein😆. Geh‘ mal fest davon aus, dass die Sache über Garantie läuft. Kurt hat mir Hoffnung gemacht.
Wünsch euch ein hoffentlich sonniges langes Wochenende mit schönen Ausfahrten!![]()
Moin!
Ich musste meinen Kühler letzt auch auswechseln lassen, der fing ebenfalls das sapschen an. Hatte glaube lediglich Glück, dass er 20k km hielt. Glaube, die sind bei unseren 485ern einfach eine Schwachstelle.
Liebe Grüße!
Was war es denn?
Und wo ist das Video …
Hab bei meinem auch schon kühler und ausgleichsbehäter tauschen müssen ![]()
Habe auch den Kühler diesen Sommer erneuern müssen, allerdings erst nach
98000 Kilometern.
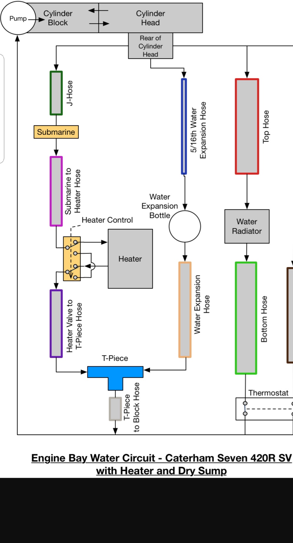
Ich kann hier nur für meinen 485S EZ 2016 sprechen. Bei Betrachten eines von mir gemachten Videos in dem ich den 2.Gang aus niedriger Geschwindigkeit bis in den Begrenzer gezogen habe, stellte ich fest, dass die Kühltemperatur innerhalb von 2 bis 3 Sekunden von 90 auf knapp 70 ° absank.
Ich habe dann später bei bei ca. 5 ° Außentemperatur das Ganze mal auf der BAB genauer inspiziert. Alles im 6.Gang:
110 km/h 90 ° Kühlmitteltemperatur
120 km/h 90° “
125 km/h innerhalb von Sekunden 65 °
130 km/h irgendwo zwischen 65 und 70° dauerhaft eingependelt.
125 km/h zwischen 65 und 70°
120 km/h schlagartig wieder auf 90 °
110 km/h 90 °
FAZIT: Bei ca. 4500 U/min sinkt die Kühltemperatur bei niedrigen Außentemperaturen schlagartig ab. Und das ist jedem Gang.
Bei höheren Außemperaturen ist der Effekt ziemlich gleich NULL.
Ab einer Drehzahl von 4500 öffnet der rein mechanische Thermostat bei niedrigen AT schlagartig. Er ist dann vorher nur wenig geöffnet. Entweder ist die Feder zu schwach oder die Leistung der Wasserpumpe für den bei mir verbauten Thermostat ab dieser Drehzahl zu hoch.
Der Einbau eines neuen brachte keine Abhilfe (Scheissarbeit um da ran zu kommen).
ERGEBNIS: Bei sehr niedrigen AT z.B. 0° bekommt der vielleicht 5 oder 10 ° kalte Kühler schlagartig 90 ° heißes Wasser aus dem Motorblock verabreicht.
Für den Motor ist es zum Glück nicht ganz so extrem, da im Bereich des Thermostates noch zwei Zuläufe mit heißem bzw. warmem Wasser sind, die den Effekt deutlich abmildern.
Ich hoffe, dass bei Euren 485 andere Wasserpumpen oder Thermostate verbaut sind. Das könnt Ihr bei den demnächst zu erwartenden AT (möglichst deutlich unter 10 Grad) mal vorsichtig testen.
Die ersten 620 R sollen ab Werk sogar ganz ohne Thermostat ausgeliefert worden sein. Was im Winter auch keine Lösung ist. Über die Öltemperatur will ich hier gar nicht sprechen. Da kann Simon mehr zu sagen.
Ob die häufigen Kühlerdefekte an “zügigen Fahrten im Winter” oder an der schlechten Qualität der Kühler im 485 oder beidem liegen ???
Ich meide bei “Winterausfahrten” auf jeden Fall möglichst hohe Drehzahlen.
Also bei schneller Autobahnfahrt im Frühling/Herbst frieren mir auch die Beine ein - trotz Heizung und Gebläse.
Bei 120 km/h dreht mein 2.3 Duratec dann 4.200 U/min.
Hab fast schon überlegt, wie früher beim alten R4 eine Pappe mit kleiner Öffnung hinter das Gitter zu basteln.
Aber wenn man dann bei Treffen ist, müsste man die Pappe wieder rausnehmen.
Oder man baut sich sowas ein? ![]()
An einem 340 verbauen wir jetzt innerhalb knapp 2 Jahren den 3. Kühler auf Garantie…
Caterham hat angeblich den Hersteller gewechselt, schauen wir mal. Problem ist die recht starre Aufhängung des Kühlers und die langen Schläuche am Eingang, da ist immer etwas Zug und Bewegung dran am Stutzen…
Oder das schlechte Material, wenn im Radius des Wasserkastens ein Riss entsteht.
Oh je. Ich wundere mich, warum ich ständig Kühlmittel nachfüllen muss, ohne dass ich ein offensichtliches Kühlerleck habe oder dass Kühlmittel unter dem Fahrzeug sichtbar ist. Mache mich dann wohl auch mal auf die Suche nach dem Kühlerleck. Mein 485 S ist 5.000 km jung. Wunderbar.
Bei mir war ein ganz kleiner Riss im Bereich Lamellen.
Selbst kühlerdicht hat nichts geholfen
, also musste ein euer her
klingt ja gruselig das thermomanagement. ich hätte gedacht nach der k-serie hätte man was gelernt? um den kühler würd ich mir bei der story eher keine gedanken machen, um den motor schon eher.
egal wieviel da noch mit warmem bypass gemixt wird, wenn dein thermostat einen 20°C sprung hinterm motor misst, und der motor gerade höchstleistung abliefert, dann muss der temperatursprung VOR dem motor noch viel krasser sein.







